光电型电子式互感器
名称:光电型电子式互感器
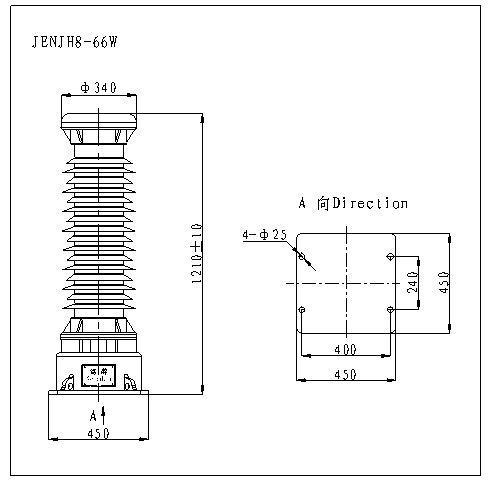
型号:JENJH8-66W
JENJH8-66W系列电子式电压互感器
JENJH8-66W electronic voltage transformer
一、概述(Description)
本型电子式电压互感器为绝缘脂灌封绝缘全封闭产品,适用于额定频率50Hz或60Hz、额定电压66kV的中性点有效接地的电力系统中,作电能计量、电压监测和继电保护用。本产品符合IEC60044-7:1999及GB/T20840·7-2007《电子式电压互感器》标准。
This type of electronic voltage transformer is insulated with insulating grease and fully enclosed. It is used for metering electric energy, voltage control and relay protection in the electric useful-ground neutral system up to rated frequency 50Hz or 60Hz and rated voltage 66kV. The transformer can be executed according to the standards IEC60044-7:1999 and GB/T20840·7-2007.

三、结构简介(Construction)
本型电子式电压互感器为全封闭支柱式结构,采用电容分压式原理,外绝缘为硅橡胶外护套和伞裙,具有耐电弧、耐紫外线、耐老化、寿命长、耐污染及潮湿等特点,适宜于任何位置、任意方向安装。测量范围宽,二次短路时不会产生强电流,二次输出为小电压信号,功耗极小,不需将大信号转化为小信号,简化了误差源,提高了整个系统的稳定性和准确度。
This electronic voltage transformer is fully enclosed and post type product. It adopts the capacitance voltage division principle and the external insulation uses silastic outer sheath and umbrella skirt. The produce has much merit, such as: electric arc resistance, ultraviolet ray, aging resistance, fouling resistance and moisture protection. It can be installed at any place and any direction. This transformer has wide measurement scope, the secondary open circuit does not produce high voltage and the secondary output is the signal of low voltage. The power consumption is very small. As there is no need to transfer the signal of high voltage to the signal of low voltage, the source of error is simplified and the stability and order of accuracy of the whole system are improved.
四、技术参数(Technical data)
1、额定绝缘水平(rated insulation level):72.5/160/350kV
2、局部放电水平符合GB/T20840·7-2007《电子式电压互感器》标准。(The conditions of the partial discharge test according to GB/T20840·7-2007《electronic voltage transformer》will be fulfilled without exception.)
3、用户如有其它技术要求,可与我厂联系。(If the customer has other requirement for technology, they can contact our factory.)
4、技术参数表(technical data form):
|
1 |
设备最高电压
Highest voltage of equipment |
72.5kV |
|
2 |
额定一次电压
Rated primary voltage |
66/√3kV |
|
3 |
额定二次电压
Rated secondary voltage |
1.5V,4V,5V,4/√3V,6.5/√3V |
|
4 |
额定输出数字量
Rated digital output |
0x2D41 |
|
5 |
测量级准确级
Accuracy class for measurement |
0.2级(class) |
|
6 |
保护级准确级
Accuracy class for protection |
3P |
|
7 |
额定频率
Rated frequency |
50Hz(或60Hz) |
|
8 |
额定负荷
Rated burden |
0.001VA,0.01VA,0.1VA,0.5VA |
|
9 |
额定唤醒时间
Rated wake-up time |
0 |
|
10 |
环境温度
Ambient temperature |
-40℃~+80℃ |
|
11 |
环境污秽等级
Pollution class |
Ⅳ |
五、外形及安装尺寸图(Outline drawing and dimensions of installation)



