光电型电子式互感器
名称:光电型电子式互感器
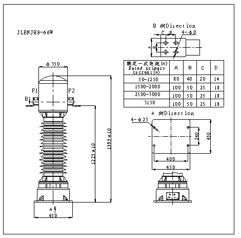
型号:JLENJH8-66W
JLENJH8-66W型数字式光电组合互感器
JLENJH8-66W digital photoelectric combination transformer
一、概述(Description)
JLENJH8-66W数字式光电组合互感器采用了数字化技术,先进的光电技术,又综合了国内高压电器技术的精华而研制成功的新型高电压电流测量、电压监测装置。它可以用来测量高压供电系统中的电流、电压以达到计量和保护的目的。适用于额定频率50Hz或60Hz、额定电压66kV的电力系统中,作电能计量、电流测量、电压监测和继电保护用。本产品符合IEC60044-7:1999、IEC60044-8:2002及GB/T20840·7-2007《电子式电压互感器》、GB/T20840·8-2007《电子式电流互感器》标准。
JLENJH8-66W digital photoelectric combination transformer is a new device that measure high voltage, high current and performs voltage supervision. This device adopts digital technology, advanced electrooptical technology and combines the essence of demotic high voltage apparatus technology. It can be used to measure the current and voltage of the high-voltage power supply system to achieve the goal of measuring and protection. It is used for metering electric energy, voltage control and relay protection in the electrical system up to rated frequency 50Hz or 60Hz and rated voltage 66kV. The transformer can be executed according to the standards IEC60044-7:1999、IEC60044-8:2002 and GB/T20840·7-2007.

三、结构简介(Construction)
1、JLENJH8-66W数字式光电组合互感器是一种新型的电子式组合互感器。它不同于传统的电磁式电流、电压互感器,它采用了光电隔离、数据数字化、光通信技术。还用高度可靠的电气绝缘设计使可靠性大大加强。
JLENJH8-66W digital photoelectric combination transformer is a new type of electronic combined transformer. It is different from the traditional electromagnetic current transformer and voltage transformer. It adopts the optoelectronic isolation, data digitization and technology of optical communication. The design of highly reliable
electric insulation makes the reliability improved significantly.
2、它也不同于基于法拉第磁光效应和克尔电光效应的光电组合互感器,它的电压信号采用电容分压原理,电流信号传感器就是低能量电流互感器和罗可夫斯基线圈。电流信号在高电位处就转变为数字信号,通过光纤传到低电位处。所以测量的准确度高,抗振动性、抗外界温度变化、抗电磁干扰及运行寿命都有保障。
It is also different from the photoelectric combination transformer that is based on Faraday magneto-optical effect and Kerr electro-optic effect. Its voltage signal adopts the principle of capacitance voltage division and the sensor for current signal is the low-energy current mutual inductor and the Rogowski coil. The current signal is transferred to digital signal at the high potential and the digital signal is transferred to the low potential through optical fiber. Therefore, the accuracy of measurement is high. It has the characteristics of shock resistant, resistance of temperature of external environment, anti-electromagnetic interference and the service life is guaranteed.
3、本装置中,高电位处的供电是一个重要的技术创新。本装置采用了低电位激光供能和高电位取能等多重供能技术,产品运行可靠性高。
The power supply at the high potential of this device is a technical innovation. This device adopts multiple technology of power supply such as laser power supply at the low potential and energy output at high potential. Therefore, the product operates stably.
4、JLENJH8-66W数字式光电组合互感器的绝缘柱采用硅橡胶外护套伞裙,为支柱式。结构轻便、简单,重量轻;有良好的抗污能力、可靠性高。
The insulating column of JLENJH8-66W digital photoelectric combination transformer adopts the silastic outer sheath and umbrella skirt. It is the pillar type, which enable simple and light structure and light weight. It has the ability to counter pollution and high reliability.
四、技术参数(Technical data)
1、额定绝缘水平(rated insulation level):72.5/160/350kV
2、局部放电水平符合GB/T20840·7-2007《电子式电压互感器》、GB/T20840·8-2007《电子式电流互感器》标准。(The conditions of the partial discharge test according to GB/T20840·7-2007 and GB/T20840·8-2007 will be fulfilled without exception.)
3、用户如有其它技术要求,可与我厂联系。(If the customer has other requirement for technology, they can contact our factory.)
4、技术参数表(technical data form):
表1:额定一次电流及动热稳定电流(Rated primary current , rated dynamic and thermal current)
表2:常规技术参数(Common technical parameters)
五、外形及安装尺寸图(Outline drawing and dimensions of installation)


