电子式电流互感器
名称:电子式电流互感器
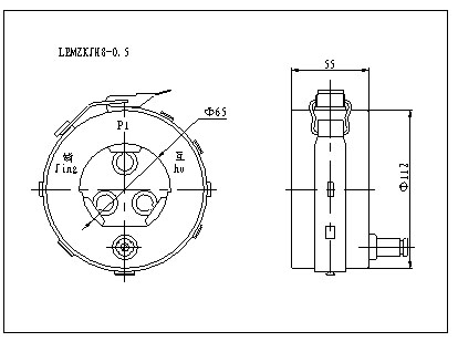
型号:LEMZKJH8-0.5
LEMZKJH8-0.5型开合式电子式电流互感器
LEMZKJH8-10.5 open-close type electronic current transformer
一、概述(Description)
本型开合式电子电流互感器主要适用于额定频率50Hz或60Hz、额定电压35kV及以下的电力系统中测量电流,广泛用于紧凑型全绝缘环网开关柜,本产品符合IEC60044-8:2002及GB/T20840·8-2007《电子式电流互感器》标准。
The open-close type electronic current transformer is used for metering current in the electrical system up to rated frequency 50Hz or 60Hz and rated voltage 35kV. It is widely used for the compact all insulation ring net switch cabinets. The transformer can be executed according to the standards IEC60044-8:2002 and GB/T20840·8-2007。

三、结构简介(Construction)
本型电子式电流互感器为开合式,采用ABS工程塑料外壳环氧树脂一体化浇注成形,具有绝缘性能好,外形美观,便于安装等特点。该产品体积小,重量轻,无需维护,安装时将两个半圆环抱在分相电缆上,用抱箍抱紧卡住,与电缆于一体,和谐美观。特别是其开合式结构可直接卡装在电缆上,实现在不改动电缆的情况下免工具安装。测量范围宽,二次开路不会产生高电压,二次输出为小电压信号,功耗极小,不需将大信号转化为小信号,简化了误差源,提高了整个系统的稳定性和准确度。
This type of electronic current transformer is the open-close type, uses ABS engineering plastic the shell and the forming of epoxide resin casting. It has the characteristics of excellent insulating performance, beautiful appearance and easy installation. This product has small volume and light weight and there is no need to repair it. During the process of installation, two semicircular rings hold the individual phase cable and are tightened by anchor ear. It forms one whole body with the cable, resulting in neat and beautiful appearance. Especially, the open-close structure can directly be clamped on the cable and realizes the tool-free installation under the condition that the cable is not changed. This transformer has wide measurement scope, the secondary open circuit does not produce high voltage and the secondary output is the signal of low voltage. The power consumption is very small. As there is no need to transfer the signal of high voltage to the signal of low voltage, the source of error is simplified and the stability and order of accuracy of the whole system are improved.
四、技术参数(Technical data)
1、本型电子式电流互感器的一次主绝缘由电缆保证,产品仅考核二次绕组的绝缘性能。二次绕组对地能承受3kV工频耐压。(Because the cable protects the primary main insulation, so, the insulation characteristics of secondary winding are only examined. The secondary winding can be able to withstand the power frequency test voltage of 3kV to ground.)
2、用户如有其它技术要求,可与我厂联系。(If the customer has other requirement for technology, they can contact our factory.)
3、技术参数表(technical data form):
五、外形及安装尺寸图(Outline drawing and dimensions of installation)



