电子式电流互感器
名称:电子式电流互感器
型号:LEKZBJH8-0.5
LEKZBJH8-0.5型电子式电流互感器
LEKZBJH8-0.5 electronic current transformer
一、概述(Description)
本型电子式电流互感器为户内装置,是专门为6-35kV户内电缆头出线而设计的环氧树脂浇注绝缘开合式产品,适用于额定频率50Hz或60Hz、额定电压6-35kV的电力系统中,作继电保护用。本产品符合IEC60044-8:2002及GB/T20840·8-2007《电子式电流互感器》标准。
The electronic current transformer is equipment used indoors. It is specially designed for the cable outline. It is used for relay protection in the electric system up to rated frequency 50Hz or 60Hz and rated voltage 6kV to 35kV.
The transformer can be executed according to the standards IEC60044-8:2002 and GB/T20840·8-2007.

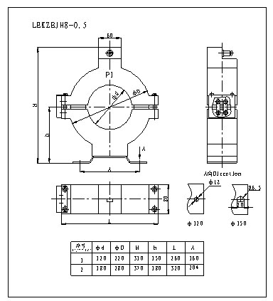
三、结构简介(Construction)
本型电子式电流互感器为开合式,环氧树脂浇注结构,安装时可将互感器分为两半,然后合并为一体,用螺栓拧紧。互感器底部有两个安装孔。测量范围宽,二次开路不会产生高电压,二次输出为小电压信号,功耗极小,不需将大信号转化为小信号,简化了误差源,提高了整个系统的稳定性和准确度。
The transformer is open-close type and casting resin insulated. Being installed, at first, make the product dimidiation. Then make it coalition used bolt. There have two-fix hole on the bottom. This transformer has wide measurement scope, the secondary open circuit does not produce high voltage and the secondary output is the signal of low voltage. The power consumption is very small. As there is no need to transfer the signal of high voltage to the signal of low voltage, the source of error is simplified and the stability and order of accuracy of the whole system are improved.
四、技术参数(Technical data)
1、本型电子式电流互感器的一次主绝缘由电缆保证,产品仅考核二次绕组的绝缘性能。二次绕组对地能承受3kV工频耐压。(Because the cable protects the primary main insulation, so, the insulation characteristics of secondary winding are only examined. The secondary winding can be able to withstand the power frequency test voltage of 3kV to ground.)
2、用户如有其它技术要求,可与我厂联系。(If the customer has other requirement for technology, they can contact our factory.)
3、技术参数表(technical data form):
|
1 |
额定一次电流
Rated primary current |
20~630A |
|
2 |
额定二次电压(测量级)
Rated secondary voltage for measurement |
1.5V,4V |
|
3 |
额定二次电压(保护级)
Rated secondary voltage for protection |
150mV、225mV(铁心式线圈) (core type coil)
|
|
4 |
额定输出数字量(测量级)
Rated digital output for measurement |
0x2D41 |
|
5 |
额定输出数字量(保护级)Rated digital output for protection |
0x01CF/0x00E7 |
|
6 |
测量级准确级
Accuracy class for measurement |
0.2级(class) |
|
7 |
保护级准确级
Accuracy class for protection |
5P25(铁心式线圈)
5P25(core type coil) |
|
8 |
额定频率
Rated frequency |
50Hz(或60Hz) |
|
9 |
额定负荷
Rated burden |
2kΩ,20kΩ,2MΩ |
|
10 |
额定一次时间常数
Rated primary time constant |
100mS |
|
11 |
额定唤醒时间
Rated wake-up time |
0 |
|
12 |
环境温度
Ambient temperature |
-40℃~+40℃ |
五、外形及安装尺寸图(Outline drawing and dimensions of installation)



