产品中心
产品中心
您的位置:网站首页 > 产品中心 > 户内组合互感器
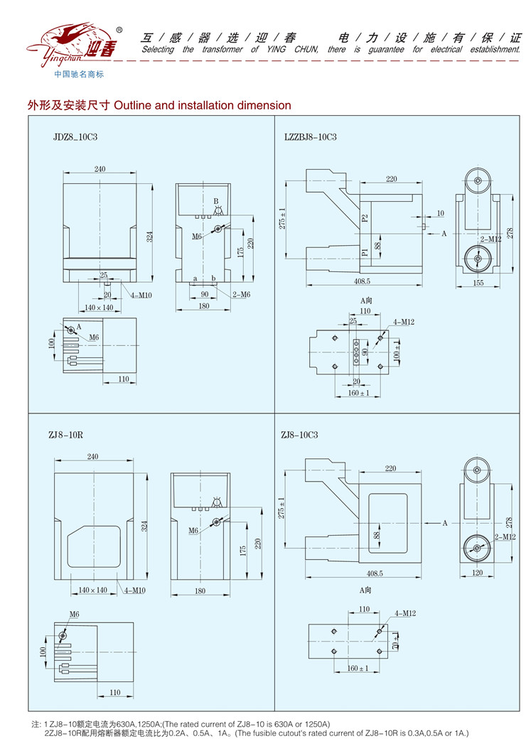
JDZ8-10C3、LZZBJ8-10C3计量车专用
时间:2014-03-18 发布人:admin

 


 

 

 

公司概况

江苏靖江互感器股份有限公司始建于60年代,具有50多年的发展历史。专业从事互感器、隔离开关、绝缘件等系列产品的研发、制造、销售。2016年在全国中小企业股份转让系统(新三板)成功挂牌,股票代码:839746。 [更多]

欢迎手机扫描加关注

QQ在线咨询
手机
18861029871
电话
0523-84230559
0523-84230699